改裝套件 CSC-135 配件系列

齒輪

 傘齒輪

 

 傘齒輪 G001-R (3mm 圓軸孔)

 

 

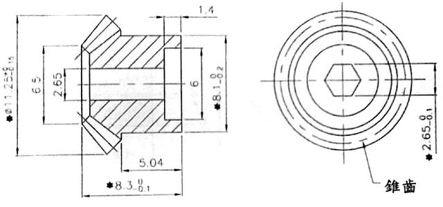
 傘齒輪  G001-H ( 六角軸孔 )